モータ制御用の外付けマイコン不要で各種カスタマイズも容易 高圧3相モータ用ドライバ 「SIM262xMシリーズ」
サンケン電気株式会社(埼玉県新座市北野3-6-3)は、高圧3相モータ用ドライバ「SIM262xMシリーズ」のうち、「SIM2622M」の量産を開始しました。
今回量産したSIM2622M(5.0 A)に加え、電流定格違いのSIM2621M(2.5 A)を開発中です。
■製品概要
SIM262xMシリーズは、耐圧600 Vのホール素子およびホールIC入力に対応した、正弦波駆動方式の白物家電向け高圧3相モータ用ドライバです。
一般的なIPMに内蔵されているゲート駆動用IC・出力素子だけでなく、制御用ICも内蔵しています。
本製品のみでモータ制御が完結するため、外付けマイコンでモータ制御を行う必要はありません。モータ駆動システムの小型化だけでなく、アプリケーション全体のコストを削減できます。
高放熱DIP40パッケージを採用しており、制御ICも搭載した600 V/5.0 Aの高圧3相モータドライバとしては最小サイズです*。
さらに、機能設定端子(IS1/IS2/IS3)に入力する信号によって、回路変更をすることなくさまざまな設定が変更可能です。
10極モータ使用時でも8極相当のFG信号を出力する、モータ8極/10極両対応機能を搭載しています。8極のBLDCモータシステムの構成のまま10極BLDCモータに変更ができます。回路設計を変更せずに設定を変更でき、工数を削減します。
また、エアコン室内ファンのお掃除機能などで回転を反転させる際、従来はモータ電源を一度切る必要がありますが、本製品では、モータ停止中にIS3端子に信号を入力することで、電源を切らずにモータの回転方向の変更が可能です。
そのほか、モータの効率改善に有効な進角量調整の調整方法も各種用意しています。
効率と静音性に優れた進角制御機能を搭載しており、誘起電圧とモータ電流の位相を合わせるため最大トルクでモータを使用することができます。
3相交流電源が不安定な地域でも安全に使用するための過電圧保護機能(OVP)をはじめ、充実した保護機能を搭載しています。
エアコンのファン、洗濯乾燥機のファン・ポンプなどの、ユニバーサル入力仕様の低~中容量モータのインバータ制御に最適です。
*2025年11月現在 当社調べ
詳細URL: https://www.semicon.sanken-ele.co.jp/newproduct/#P-66273

SIM262xMシリーズ
■製品外観
パッケージ名称:DIP40
(ボディーサイズ:36.0 mm × 14.8 mm ×4.0 mm)

DIP40パッケージ
■ラインアップ

SIM262xMシリーズラインアップ
■用途
ユニバーサル入力仕様の低~中容量モータのインバータ制御
● エアコンのファンモータ駆動
● 洗濯乾燥機のファン・ポンプ駆動
● 空気清浄機・扇風機のファンモータ駆動 など
■特徴
● Pbフリー(RoHS対応)
● 絶縁耐圧1500 V(1分)保証(UL申請中)
● 低騒音、高効率(正弦電流波形)
● モータ8極/10極両対応機能
● 進角制御機能(最大トルクでモータを駆動可能)
● 部品点数削減
● ブートストラップダイオード内蔵
● ホール素子およびホールIC入力対応
● 外部信号で、アプリケーションに応じた最適な設定が可能
- 回転速度
- 進角値
- 回転方向
- モータ極数
- モータロック検出有無
● 5V基準電圧出力(ホール素子の駆動などに使用)
● 充実した保護機能
■制御用ICを小型DIP40パッケージに内蔵、モータ制御用の外付けマイコンは不要
近年、家電などのアプリケーションの高機能化に伴い、マイコンの搭載数が増加し、回路規模が大きくなっています。
SIM262xMシリーズは制御用ICを搭載しているため、モータ制御用の外付けマイコンが不要です。
これにより、モータ駆動システムの小型化だけでなく、アプリケーション全体のコストを削減できます。

ゲート駆動用IC・出力素子に加え、制御用ICも内蔵
■進角制御機能を搭載
モータに流れる電流の位相は、巻線のインダンクタンスの影響で、誘起電圧の位相に対して遅れます。
SIM262xMシリーズは、進角制御機能を搭載しており、誘起電圧とモータ電流の位相を合わせます。
これにより、最大トルクでモータを使用できます。

誘起電圧とモータ電流の位相を合わせトルク最大
SIM262xMシリーズの進角機能には、外部進角、内部進角(1次~3次関数演算)があります。
使用するモータに応じて、最適な位相に調整できます。

進角量調整の調整方法を選択可能
■動作状況に応じて速度制御と変調方式を切り替え
SIM262xMシリーズは、周波数に応じて駆動方式を切り替えます。
また、モータの速度をVSP端子で検出し、VSP端子電圧に応じて動作モードを切り替えます。
これにより、安定した起動動作を実現します。

駆動方式と動作モードを切り替え可能
■機能設定端子(IS1/IS2/IS3)でカスタマイズ可能
機能設定端子(IS1/IS2/IS3)に入力する信号によって、さまざまな設定が変更できます。
・8極/10極モータ両対応
IS1端子でモータ極数・出力パルス数・保護復帰方法を設定できます。
これにより、10極BLDCモータ使用時に、ICから8極相当の回転パルス信号を出力できるため、
従来の8極BLDCモータのシステムを変更することなく、10極BLDCモータを駆動できます。
回路設計を変更せずに設定を変更でき、工数を削減します。
・使用するモータに応じて最適な進角値を設定可能
IS2端子で進角機能を設定できます。
・電源を切らずに回転方向の切り替えが可能
IS3端子で回転方向・モータロック保護・出力デューティ制御電圧範囲を設定できます。
わざわざ電源を切らなくても、モータ停止中であればIS3端子で回転方向を切り替えられます。
※モータロック保護または出力デューティ制御電圧範囲の設定を変更する場合は、一度電源を切る必要があります。
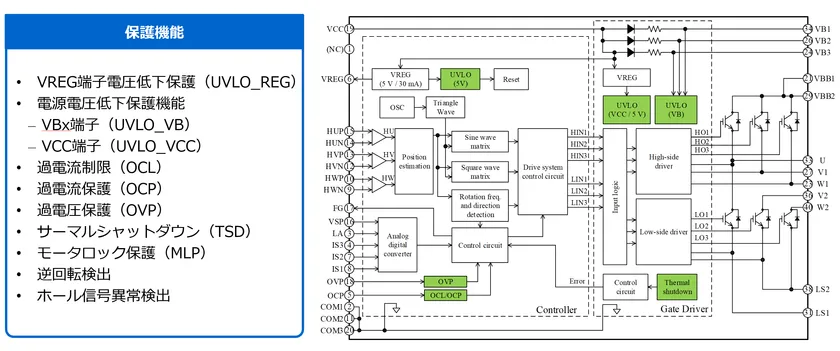
■充実した保護機能
3相交流電源が不安定な地域でも安全に使用するための過電圧保護機能(OVP)をはじめ、充実した保護機能を搭載しています。

充実した保護機能
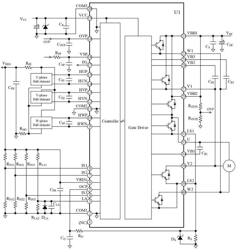
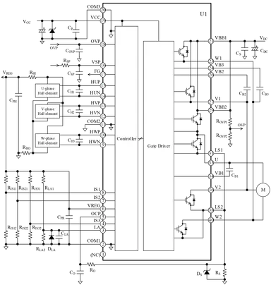
■応用回路例

応用回路例
■会社概要
社名 : サンケン電気株式会社
代表者 : 代表取締役社長CEO 高橋 広
所在地 : 〒352-8666 埼玉県新座市北野三丁目6番3号
設立 : 1946年9月5日
事業内容: 電子部品、デバイス、電子回路の製造および販売
電気機械器具の製造および販売
前各号に付帯する一切の業務
資本金 : 20,896,789,680円
























