スイッチング損失を他社同等品と比べ20%以上低減* 車載向け高圧3相モータ用ドライバ「SAM265M50AS3」
サンケン電気株式会社(埼玉県新座市北野3-6-3)は、高圧3相モータ用ドライバ「SAM2シリーズ」のうち、「SAM265M50AS3」の量産を開始しました。
■製品概要
SAM2シリーズは、出力スイッチング素子、プリドライバ、制限抵抗付きブートストラップダイオード、サーミスタなど、3相モータを制御するために必要なデバイスを集約したオールインワンタイプの製品です。
基板面積の小型化や、高圧回路設計の簡易化に貢献します。
今回量産したSAM265M50AS3は、車載用途に対応した最大定格650 V/50 Aの製品です。
他社同等品と比較して、スイッチング損失を20%以上低減しました*(条件:TJ = 125 ℃、IC = 50 A)。これによりIPMの温度上昇を抑えられるため、熱設計の自由度が向上します。
さらに、絶縁耐圧は2500V(1分)を保証、ジャンクション温度は175℃を保証しています。車載規格のAQG324にも準拠した安全性の高い製品です。
また、高精度の温度検出機能により、実動作の温度範囲の拡大や、モータシステムの品質向上に貢献します。
電動車(xEV)などの高圧補機システム(電動コンプレッサ、電動ウォーターポンプ、電動オイルポンプなど)に最適です。
*2025年10月現在 当社調べ
詳細URL: https://www.semicon.sanken-ele.co.jp/newproduct/#P-66217

SAM265M50AS3
■製品外観
パッケージ名称:DIP30(LF2540/LF2541)
(ボディーサイズ:52.5 mm × 31 mm × 5.6 mm)

製品外観 DIP30パッケージ
■SAM2シリーズ ラインアップ

SAM2シリーズ ラインアップ
■用途
電動車(xEV)の高圧補機システムの3相モータ駆動
● 電動コンプレッサ
● 電動オイルポンプ
● 電動ウォーターポンプ など
■特徴
● 小型DIP30パッケージ
● 高い温度検出精度
● 低損失
● AQG324準拠
● Pbフリー(RoHS対応)
● 絶縁耐圧2500V(1分)保証
● ジャンクション温度175℃保証
● サーミスタ内蔵
● ブートストラップダイオード内蔵
● CMOS(3.3 V、5 V系)入力レベル対応
● エラー信号出力(保護回路動作時)
● シャットダウン信号入力
● 過電流保護保持時間調整可能
● 保護機能
-電源電圧低下保護機能
VBx端子(UVLO_VBx) :自動復帰
VCCL端子(UVLO_VCCL):自動復帰
-過電流保護機能(OCP) :自動復帰
■低スイッチング損失
従来製品(低ノイズ品)からスイッチング速度を向上させ、スイッチング損失を低減しました。
他社同等品と比較すると、スイッチング損失を20%以上低減しました*(条件:TJ = 125 ℃、IC = 50 A)。
*2025年10月現在 当社調べ

スイッチング損失を低減
■オールインワンでコンパクト
基板上に直接チップなどの部品を搭載できるDBC(Direct Bonding Copper)構造を採用することで、パワーチップを高密度で実装しています。温度検出用のサーミスタも内蔵しています。
パッケージは小型化しつつも、空間距離や沿面距離は十分な距離を確保し、信頼性を維持しています。
車載用途の安全性を重視し、VCC端子とOCP端子がGND端子と隣接しないように端子配置を考慮しています。
また、お客様の要求に幅広く対応するため、外部端子の長さは2種類から選択していただけます。

複数の構成部品を1パッケージ化したオールインワン型IPM
■高精度の温度検出
リードフレーム上ではなく、パワーチップと同じDBC基板上に温度検出用のサーミスタを設置しています。
これにより、高精度の温度検出と、急激な温度変化に対する高い追従性を実現しました。
感度良く駆動素子の異常温度を検知できるため、実動作の温度範囲の拡大や、モータシステムの品質向上に貢献します。

高精度の温度検出を実現
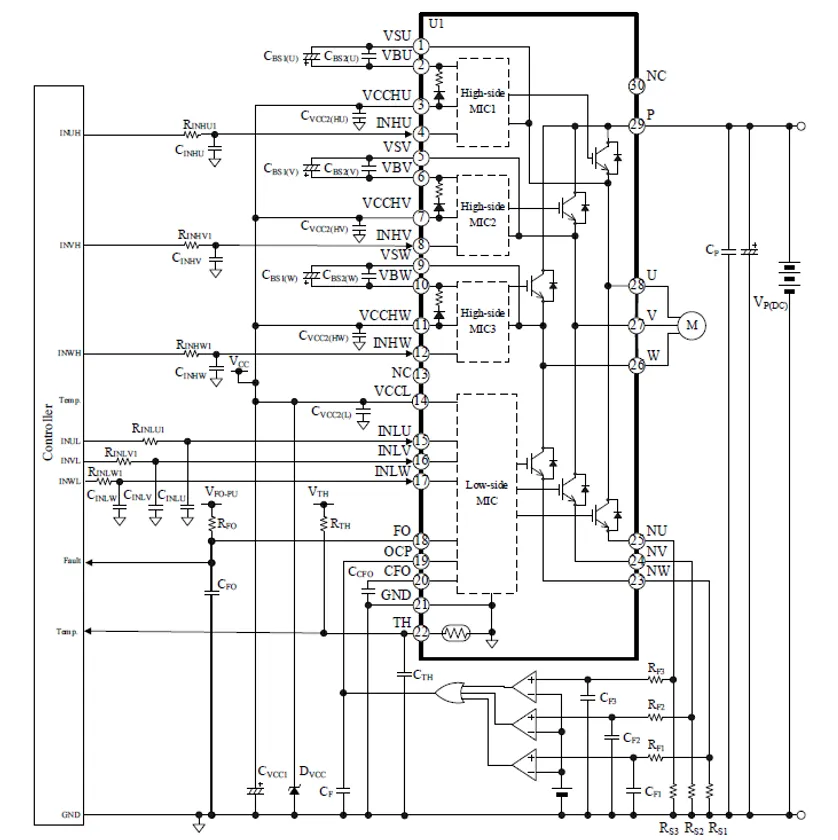
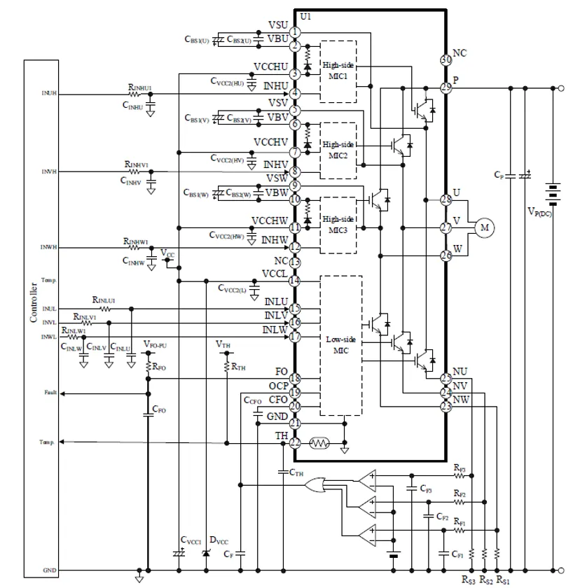
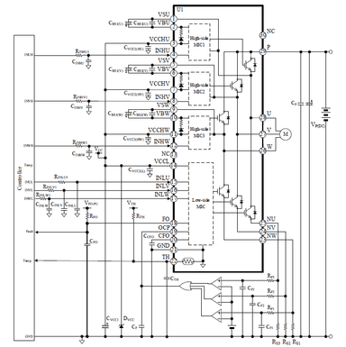
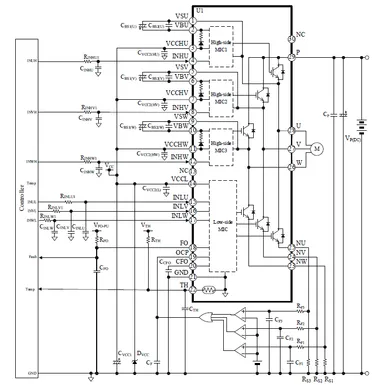
■応用回路例
3シャント検出方式

応用回路例(3シャント検出方式)
■会社概要
社名 : サンケン電気株式会社
代表者 : 代表取締役社長CEO 高橋 広
所在地 : 〒352-8666 埼玉県新座市北野三丁目6番3号
設立 : 1946年9月5日
事業内容: 電子部品、デバイス、電子回路の製造および販売
電気機械器具の製造および販売
前各号に付帯する一切の業務
資本金 : 20,896,789,680円
























