床暖房や岩盤浴の設計・施工をおこなっている株式会社ダンドル(本社:埼玉県狭山市、代表取締役社長:洪 恵順)は、家庭の浴室を岩盤浴に改装できる「浴室岩盤浴プラン」に加え、小規模事業所向けプランを追加したことをお知らせします。
ホテル、サウナ、マッサージルーム、エステ、美容室、など、既存の業態・施設に簡単工事で岩盤浴室を設置可能。美容と健康を提供する付加価値サービス創出にお役立ていただけます。
[浴室岩盤浴プラン]
http://www.ganbanyoku.jp/contents/araiba_ganaban.html
【小規模事業所向け「浴室岩盤浴プラン」について】
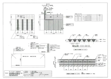
「浴室岩盤浴プラン」は、当社開発の一体型温水式床暖房パネル「ダンドルボード(※)」を利用し、お近くの工務店へ当社から施工ノウハウを伝授、簡単な工事でホテル、サウナ、マッサージルーム、エステ、美容室、などの浴室の洗い場が岩盤浴ルームへ改装できます。
【「浴室岩盤浴プラン」の特長】
1.個室がそのまま岩盤浴ルームに早変わり
「ダンドルボード」の一体型パネルを使い、簡単な工事で浴室の洗い場が岩盤浴ルームへ変身します。
2.お近くの工務店で工事可能
ダンドルより工法を提供しますので、ご近所の工務店に依頼ができます。
3.床は勿論、壁・天井も岩盤浴パネルを設置可能
浴室全体から輻射熱の温浴効果を受けられ、冬季でも暖かな浴室となるため危険なヒートショックからユーザーを守ります。
【販売料金】
<価格例>
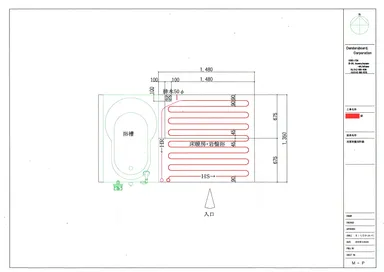
広さ:3坪 岩盤浴ベッド4床 ※図面参照
https://www.atpress.ne.jp/releases/123027/img_123027_5.jpg
営業圏内(埼玉県・東京都・神奈川県※・千葉県※) 900,000円以内(熱源機も含む)
※一部地域を除く
営業圏外 1,000,000円以内(熱源機も含む)
(※) ダンドルボード
ダンドルボードとは、石の特長である蓄熱力を使って、パワフルかつ効率的に暖める床素材です。当社の温水式床暖房システムは、パネルに石材(特殊モルタル)を採用し、温水の熱を効率的に蓄熱、放熱させることによって、補助暖房の要らない本格的床暖房を可能にした画期的なシステムです。
【会社概要】
商号 :株式会社ダンドル
代表者 :代表取締役社長 洪 恵順
所在地 :〒350-1334 埼玉県狭山市狭山31-24
設立 :1961年2月
事業内容:床暖房パネルの製造、工事
資本金 :300万円
URL :<床暖房サイト> http://www.dandoruboard.com/
<岩盤浴サイト> http://www.ganbanyoku.jp/


脳モニタリング市場の発展、傾向、需要、成長分析および予測2026-2035年
SDKI Inc.
8分前


自動車用ドライブシャフト市場の発展、傾向、需要、成長分析および予測2026-2035年
SDKI Inc.
3時間前


日本コンプレッションソックス市場は、医療ウェルネスの普及、高齢化社会における介護需要、予防医療需要を背景に、2033年までに5700万米ドル規模に達し、年平均成長率(CAGR)4.75%で拡大すると予測されている
株式会社レポートオーシャン
4時間前


ケーブルコネクタ市場の発展、傾向、需要、成長分析および予測2026-2035年
SDKI Inc.
5時間前


大阪市の中古マンション市場はなぜここまで上昇したのか
福嶋総研
5時間前


慢性腎臓病市場は、高齢化人口の増加、早期診断、腎治療における革新に支えられ、2033年までに672億米ドルに達すると予測されており、年間平均成長率(CAGR)は5.78%で安定的に推移する見込みである
株式会社レポートオーシャン
6時間前


【BIOME】2026年1月宮本敏明「つくるひと」ポートレート展および、ギャラリー移転のご案内
Artroom BIOME
3時間前


キープ力で差がつく。アリミノ ピース ハードワックス
株式会社アデプト
4時間前


ジュニアもキッズも、早めの一歩。今から始めるメンズ脱毛
株式会社アデプト
5時間前


愛犬の膝を守る「犬体工学」設計のサポーター『Fitdog』が 日本上陸!本日より楽天市場にて公式販売を開始
CIG株式会社
6時間前


ヘッドスパ専門店18年の知見から生まれた“新発想”の ヘア&頭皮ケア シャンプー・トリートメント新発売
Rアイディア株式会社
6時間前


【2025年12月版】ふるさと納税でもらえる『ランドセル』の還元率ランキングを発表
とくさと-ふるさと納税還元率ランキング-
7時間前


【Re.Ra.Ku】今年のクリスマスは「健康」をプレゼント。Re.Ra.KuのeギフトがYahoo!ショッピング・メルカリギフトで購入可能に!
株式会社メディロム・ウェルネス
1時間前


【BIOME】2026年1月宮本敏明「つくるひと」ポートレート展および、ギャラリー移転のご案内
Artroom BIOME
3時間前


【リニューアルオープン】エニタイムフィットネス六本松店(福岡県福岡市)2025年12月20日(土)<24時間年中無休のフィットネスジム>
株式会社Fast Fitness Japan
4時間前


日本コンプレッションソックス市場は、医療ウェルネスの普及、高齢化社会における介護需要、予防医療需要を背景に、2033年までに5700万米ドル規模に達し、年平均成長率(CAGR)4.75%で拡大すると予測されている
株式会社レポートオーシャン
4時間前


ジュニアもキッズも、早めの一歩。今から始めるメンズ脱毛
株式会社アデプト
5時間前


最高の留学環境が実現する「英語漬け」の春休み!小・中・高校生対象『QQEnglishキッズキャンプ2026春』開催決定
株式会社QQ English
5時間前
人気のプレスリリース


1
<道の駅そらっと牧之原> 2025年12月27日~2026年1月4日、9日間の限定開催! 2026年を元気に迎えよう! 【心ひとつに迎える大新春祭-そらっと牧之原、初めての正月-】
株式会社村の駅
1日前


2
【埼玉県長瀞町】宝登山山頂レストハウス、大規模リニューアル! 「SUSABINOキッチン」2026年1月1日オープン
秩父鉄道株式会社
1日前


3
Immun'Age × 志賀高原プリンスホテル 1日3組限定「ウェルビーイング×Immun'Age Sport」 12月20日より予約開始
株式会社大里インターナショナル
5時間前


4
【リニューアルオープン】エニタイムフィットネス六本松店(福岡県福岡市)2025年12月20日(土)<24時間年中無休のフィットネスジム>
株式会社Fast Fitness Japan
4時間前


5
最高の留学環境が実現する「英語漬け」の春休み!小・中・高校生対象『QQEnglishキッズキャンプ2026春』開催決定
株式会社QQ English
5時間前


6
本多劇場初進出×映画化始動!劇団狼少年『晩カラ学校』、渋谷駅広告配信中!
カンフェティ(ロングランプランニング株式会社)
5時間前

