ライトハウス、GNSS4波のフロントエンドを開発、4月に発売
衛星測位システム設計/製造/販売を手がける、ライトハウステクノロジー・アンド・コンサルティング株式会社(本社:東京都新宿区、代表取締役:前田 裕昭、以下 ライトハウス)は、最大で同時に4つの周波数のGNSS信号を処理するソフトウェア受信機向けのフロントエンド、「Hibiki(ひびき)」の開発を完了し、2018年4月より販売開始します。

Hibiki(ひびき) 外観
日本の準天頂衛星システム(QZSS)は、L1、L2、L5、L6と4つの周波数帯でGNSS信号を提供しています。また、米国のGPSやロシアのGLONASは3波、欧州のGalileoや中国のBeiDouは4波です。ところが、従来の多くのフロントエンドは最大で同時に2波しか処理することができずに、より多くの周波数の信号を同時に処理したいなどの高度に専門的な用途には使えませんでした。
ライトハウスは、そのようなGNSS関連技術のニーズに対応するため、世界に類を見ない最大4波同時処理が可能なフロントエンド商品群Hibiki(ひびき)の開発を完了し、そのシリーズのうちの一部の販売を開始します。
このHibiki(ひびき)は、USB3.0による圧倒的なデータ転送速度の性能を利用することで、1秒間に5,000万回にも及ぶ信号サンプルデータを、安定的にホスト計算機側に転送します。この高いサンプリング周波数も、従来のフロントエンドには無いもので、L5信号の受信高度化や、マルチパス低減機能の改良などに役立てることができます。
■主な特徴 (Typical Features)
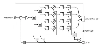
◇Series Name and Input Signal Frequency:
- Hibiki A011 ... 1 = L1
- Hibiki A012 ... 2 = L1+L2
- Hibiki B014 ... 4 = L1+L6+L2+L5
◇Sampling Frequency :48.9Msps
◇Sampling Quantization Bits:2
◇Size/Weight :120×80×30mm/≒320g
◇Interface:
- Antenna IN ... 1
- DC IN ... DC 6V
- Sampled Data OUT ... USB 3.0
- REF Freq IN ... 10MHz (option)
◇Other:
- DC Output through Antenna IN (option)
- Input Signal Frequency Modification (option)
- Sampling Frequency Modification (option)
■会社概要
商号 : ライトハウステクロノジー・アンド・コンサルティング株式会社
代表者 : 代表取締役 前田 裕昭
所在地 : 〒160-0022 東京都新宿区新宿6丁目12-5-502
設立 : 2007年10月
事業内容: ・衛星測位システムエンジニアリング、インテグレーション、
試験、政策立案支援、運用支援
・衛星測位コンサルティング、測定調査、評価検証
・衛星測位信号シミュレータおよびソフトウェア受信機の設計、
製造、販売
・長寿命エフェメリス配信サービス、PPP配信サービス、
GNSS干渉モニタ
URL : http://lighthousetc.jp/
(C) 2007 Lighthouse Technology and Consulting Co., Ltd.
本プレスリリースおよび当社サイト、カタログ、リーフレット、マニュアルなどに記載されている会社名、製品名、システム名などは該当する各社の商標または登録商標です。
製品、サービスの仕様、デザイン、価格などは予告なく変更あるいは販売を中止する場合があります。ご検討・ご注文に際しては最新の情報をお問い合わせください。
























