電気図面も簡単作図!幅広い業務で活用できる新機能を搭載 国産2次元CADソフトウェア 『図脳RAPIDPRO23』 『図脳RAPID23』を新発売
株式会社フォトロン(本社:東京都千代田区、代表取締役社長 瀧水 隆)は、2次元CADソフトウェア『図脳RAPID』シリーズの最新バージョンである『図脳RAPIDPRO23』および『図脳RAPID23』を2025年11月10日より販売開始いたします。
■商品概要
製品名 :『図脳RAPIDPRO23』
発売日 :2025年11月10日
JANコード :4935224022995
価格(税込) :154,000円
製品名 :『図脳RAPID23』
発売日 :2025年11月10日
JANコード :4935224023060
価格(税込) :66,000円

製品パッケージ+ソフト画面
■製品特長
『図脳CAD』シリーズは、1983年の販売開始以来、40年以上にわたり“設計者のみならず図面に携わるすべての人が使える製図ツール”をコンセプトに、製造業・建設業・設備業をはじめ、幅広い分野の設計・製図業務でご利用いただいています。
その最新バージョンである企業向けの『図脳 RAPIDPRO23』および個人利用向けの『図脳 RAPID23』の販売を、2025年11月10日より開始します。
今回のバージョンアップでは、「電気図面の製図効率向上」「幅広い業務」をキーワードとして、ユーザーの皆様のご要望を元に新機能搭載および、既存機能の強化改良を実施しています。
『図脳RAPIDPRO23』では、電気図や系統図の作図・編集をスピードアップする新しい配線コマンドや、積算・拾い出し作業を大幅に効率化する図形検索機能を新たに搭載しました。さらに、作業状態の復元機能や部品表自動作成機能の強化により、これまで以上に快適で柔軟な製図環境を実現します。
また、1年毎に更新可能な『図脳RAPIDPRO23 年間ライセンス版』をこれまで以上にお得な価格でご提供いたします。
『図脳CAD』および『図脳RAPID』シリーズは、これからも使いやすさの向上と業務効率化を追求し、ユーザーの皆様の設計・製図業務を力強くサポートしてまいります。
【製品情報ページ】
https://www.photron.co.jp/lp/rapidpro23/
■『図脳RAPIDPRO23』専用の新機能
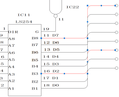
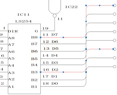
◇電気図や系統図の作図・編集がスピードアップ!
系統図や電気配線図作図に便利な配線コマンドを搭載。
連続指定や3点指定など、複数一括配線作図など様々な描き方で作図した配線は、通過点移動によって他ユニットや部品を簡単によけることができます。

haisen
◇図形検索で拾い出し作業を効率化!
指定した図形や文字と同じものを図面内で検索し、位置や個数を瞬時に把握できます。設備図面や組立図図面の拾い出し作業や、そこから見積を作成する積算作業を効率化します。

zukei_kensaku
◇図面内にある部品から自動で部品表作成!
グループ化機能の改善により、部品やユニットをグループ化する際に部品番号や素材、単価などの項目とその値を自由に設定可能になりました。
また、直感的になった部品表コマンドの活用により、正確な部品表が簡単に作成できます。

group

buhinhyo2
◇前回終了時の作業状態から作業再開!
作業途中でCADを終了後、次にCADを立ち上げた際に前回のCAD終了時と同じ状態で作業を再開できます。
複数図面を開いていた場合は、それらの図面を前回と同じ位置で開きなおします。
仕掛り中の作業を素早く再開できます。

sagyo
■『図脳RAPIDPRO23』と『図脳RAPID23』共通の新機能
◇AIチャットボット等へ容易にアクセスできる「サポートリンク集」
作業中に「この操作手順を知りたい!」「この設定の変え方がわからない!」などの疑問に素早く回答するAIチャットボット、便利な使い方や迷いやすい機能の解説がされているFAQサイトに素早くアクセスできます。

support
■『図脳RAPIDPRO23』と『図脳RAPID23』の動作環境
OS :Microsoft(R) Windows 11
CPU :1GHz以上のプロセッサ(2GHz以上推奨)
※ARM プロセッサはサポートされていません。
メインメモリ:2GB以上(4GB以上推奨)
HDD :500MB以上の空き容量(1GB以上推奨)
ディスク装置:DVD-ROM
その他 :ネットワークへの接続環境推奨
すべての Photron 製品名および Photron製品ロゴは 株式会社フォトロンの商標または登録商標です。
Microsoft (R)およびWindows(R)は、米国Microsoft Corporationの、米国およびその他の国における登録商標または商標です。
その他の会社名または製品名は、各社の商標または登録商標です。
【株式会社フォトロンについて】
本社 : 〒101-0051 東京都千代田区神田神保町1-105 神保町三井ビルディング21階
代表者 : 代表取締役社長 瀧水 隆
創業 : 1968年7月10日
資本金 : 1億円
事業内容: 民生用および産業用電子応用システム
(ハイスピードカメラ・画像処理システム、CAD関連ソフトウェア、
放送用映像機器、その他)の開発、製造、販売、輸出入
























