国産2次元CADソフトウェアのシリーズ最新版 『図脳RAPIDPRO21』・『図脳RAPID21』を10/27に発売 ~使いやすさの向上で製図業務をスムーズに~
株式会社フォトロン(本社:東京都千代田区、代表取締役社長 瀧水 隆)は、2次元CADソフトウェア『図脳RAPID』シリーズの最新版『図脳RAPIDPRO21』および『図脳RAPID21』を2021年10月27日より発売いたします。
製品名 :『図脳RAPIDPRO21』
発売日 :2021年10月27日
JANコード :4935224091236
価格(税込):¥154,000
製品名 :『図脳RAPID21』
発売日 :2021年10月27日
JANコード :4935224091366
価格(税込):¥66,000

パッケージ写真

『図脳RAPIDPRO21』操作画面
■製品特長
『図脳RAPID』シリーズは、1985年の発売以来35年以上にわたって販売を続けている、国産2次元CADのロングセラー製品です。“設計者のみならず図面に携わるすべての人々が使える製図ツール”をコンセプトに、さまざまな業種の上流工程から下流工程に至るまで幅広く利用されています。その最新バージョンである、企業向けの『図脳RAPIDPRO21』および個人利用向けの『図脳RAPID21』の販売を2021年10月27日より開始します。
今回のバージョンアップでは「使いやすさの向上で製図業務をスムーズに」をコンセプトとして、ユーザーの声を元に機能強化、改良を実施しています。
『図脳RAPIDPRO21』では、部品配置やハッチング作図、文字編集といったコマンドの操作性を改善。使用頻度の多いコマンドにおいてクリック数を50%削減しました。さらに機能改善により手戻りを防止し、製図作業の効率化を図っています。
『図脳RAPIDPRO21』と『図脳RAPID21』の共通の強化点として、色による図面制御や識別性向上を目指し初期状態で利用できる色数を倍増させたほか、バージョンの移行をスムーズに行えるよう『図脳RAPID20』シリーズの各種設定を『図脳RAPID21』シリーズに自動で引き継げる機能を新たに搭載しました。
使いやすさのさらなる向上を行い、ユーザーの皆様に寄り添った2次元CADとして、『図脳RAPID』 シリーズはさらなる進化を続けていきます。
製品情報ページ
https://www.photron.co.jp/lp/rapidpro21.html
■『図脳RAPIDPRO21』専用の新機能
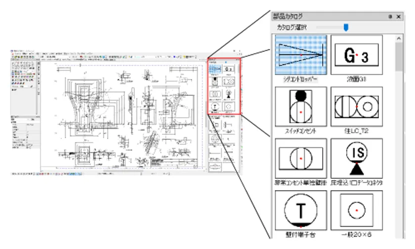
◇ 部品配置作業の効率向上を目指し、部品カタログを常時表示
登録した部品のサムネイルを画面に常時表示させ、いつでもダブルクリックにて部品配置が行えます。部品サムネイルの並び順も自由に設定できます。

常時表示できる部品カタログ
◇ ハッチング作図コマンド等に「点指定」コマンドを搭載
「点指定」コマンドでは、事前に境界線を作図せずに境界の通過点を指定してハッチング・塗り図形を作成できます。境界がないエリアへの作図の手間を大幅に削減します。
◇ ミスの削減と作図効率化のため文字の編集機能を拡張
図形複写/回転複写コマンドで数字を含む文字列をコピーすると、数字部分が自動でカウントアップする機能を搭載しました。
◇ カットイン機能の一時適用設定で作業の手戻りを防止
作業の手戻りを防止するためカットイン機能の一時適用設定を追加しました。切り替え忘れを防止し、余分な作業工程の発生を防ぎます。
■『図脳RAPIDPRO21』・『図脳RAPID21』共通の新機能
◇ 色パレットの標準色が32色に増加
色パレットに保存できる標準色が従来の16色から32色に増加。多岐にわたる色設定をスムーズに行えるようになりました。

標準色が32色に増加した色パレット
◇ 『図脳RAPID20』シリーズの環境設定を自動引継ぎ
バージョンアップ後でも従来の作業環境ですぐに作業できるよう、ひとつ前のバージョンである『図脳RAPID20』シリーズで設定されたツールバーの配置やその他各種設定を自動で引き継ぐことが可能です。
■『図脳RAPIDPRO21』・『図脳RAPID21』の動作環境
OS :Microsoft(R) Windows 10
Microsoft(R) Windows 8.1
※32bit版/64bit版のいずれにも対応しています
CPU :1GHz以上のプロセッサ(2GHz以上推奨)
メインメモリ:2GB以上(4GB以上推奨)
HDD :500MB以上の空き容量(1GB以上推奨)
ディスク装置:DVD-ROM(ネットワークへの接続環境推奨)
※すべてのPhotron製品名およびPhotron製品ロゴは株式会社フォトロンの商標または登録商標です。
※Microsoft (R)およびWindows(R)は、米国Microsoft Corporationの、米国およびその他の国における登録商標または商標です。
※その他の会社名または製品名は、各社の商標または登録商標です。
【株式会社フォトロンについて】
本社 : 〒101-0051
東京都千代田区神田神保町1-105 神保町三井ビルディング21階
代表者 : 代表取締役社長 瀧水 隆
創業 : 1968年7月10日
資本金 : 1億円
事業内容: 民生用および産業用電子応用システム
(ハイスピードカメラ・画像処理システム、CAD関連ソフトウェア、
放送用映像機器、その他)の開発、製造、販売、輸出入
URL : https://www.photron.co.jp/
【お客様窓口】
株式会社フォトロン システムソリューション事業本部
電話 : 03-3518-6272
FAX : 03-3518-6279
電子メール: cad-master@photron.co.jp






















