ON-ON&ON-OFF型動作モードの絶縁型DC-DCコンバータ回路技術 絶縁型「TriMagiC Converter™」を開発
EVの省スペース化と電力消費量の削減に貢献するパワーエレクトロニクス製品
アルプスアルパイン株式会社(TOKYO:6770、代表取締役社長:栗山 年弘、本社:東京、以下「アルプスアルパイン」)は、高性能な新絶縁型DC-DCコンバータ(※1)回路技術、絶縁型「TriMagic Converter™」を開発しました。トランス(※2)と共振コイル(※3)の磁性体部品にフェライト(※4)ではなく独自開発の磁性材料「リカロイ™」(※5)を採用。ON-ON&ON-OFF型動作モードの回路に活用することで3.3kWの大電力ながら、ピーク時96.8%の高変換効率および磁性体部品総サイズが従来方式比1/3となる小型化を同時に実現します。大電力により自動運転・車室内エンターテインメントシステムに求められる高消費電力に対応しつつ、小型化および高変換効率化によりEVの省スペース化と電力消費量の削減に貢献します。今後は、サンプル提供をとおして市場調査や性能評価を行い、2023年10月を目途に「リカロイ™」を用いた磁性体コアやトランス・共振コイルなど各種コンポーネントの販売を目指します。
◆ ◆ ◆
取り組みの背景
家電製品をはじめとしたあらゆる電子機器は、動作に最適な電気の種類(交流(AC)/直流(DC))や電圧の強さがそれぞれ異なるため、用途や目的に合わせて電力を変換する必要があります。この電力変換を実行するのがパワーエレクトロニクス技術です。中でも、ほとんどの電子機器は直流で駆動しており、供給される直流電圧をアプリケーションごとに異なる最適な直流電圧へ変換するDC-DCコンバータは重要な役割を担います。電力変換の際には発熱などによる電力損失が発生するため、この電力変換効率を向上し電力損失を低減することがあらゆる電子機器の省エネ化につながり、ひいては地球環境保全への貢献となります。
とりわけEVにおいて、今後メインバッテリーの主流になると言われているリチウムイオン電池は400Vほどの高電圧直流が用いられる一方で、そこから電力供給されて駆動するカーナビゲーションやヘッドライト、パワーウィンドウなどの電子機器は12Vほどの低電圧直流をもとに動作します。この間の電圧変換を車載用DC-DCコンバータ(通称:補機コンバータ)が担っています。
昨今では、カーボンニュートラルに向けた取り組みの加速に伴い自動車の排気ガス規制がグローバルで加速。EVの実用化・普及は喫緊の課題となっています。EVの普及にはインフラ整備のほか、バッテリー容量の増加や車体の軽量化・電力変換効率向上による航続距離の伸長などが必要です。さらに、自動運転システムや車室内エンターテインメントシステムの高度化により自動車の消費電力は上昇傾向にあります。これら課題解決のために、DC-DCコンバータを含む各種パワーエレクトロニクス製品の技術革新が強く求められています。
取り組みの内容
車載用のDC-DCコンバータは一般的に安全性の観点から感電を防ぐ絶縁型が用いられます。既存の絶縁型DC-DCコンバータは、小電力ではあるが部品点数が少なく小型サイズのON-OFF型と大電力ではあるが部品点数が増えて大型サイズとなるON-ON型に大別され、車載用は負荷が大きく大電力(1kW以上)が求められるため、これまではON-ON型が採用されています。ON-ON型で小型化を達成するためには動作周波数をあげる必要があり、一方で電力変換効率が低下する課題があります。
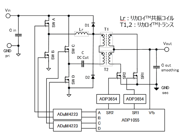
この度、当社が新たに開発した新たな絶縁型DC-DCコンバータ回路技術、絶縁型「TriMagic Converter™」は、トランスと共振コイルの磁性体部品にフェライトではなく、低透磁率、高飽和磁束密度、低損失の特性を持つ当社が独自に開発した磁性材料、「リカロイ™」を採用。ON-ON&ON-OFF型動作モードの回路に活用することで3.3kWの大電力ながら、ピーク時96.8%の高変換効率(図1)と磁性体部品総サイズの従来方式比1/3となる小型化を同時に実現します(図2)。


本回路では、同じ特性のトランス2つとZVS(ゼロボルトスイッチング)用の共振コイルの3点の磁性体部品で構成されており、トランジスタからの電流を入力することで2つのトランスが交互にON-ONとON-OFFの動作を繰り返します(図3)。これにより、ON-ON時、ON-OFF時ともに入力側からのエネルギーをトランスが出力すると同時に蓄える動作も行うため、磁束密度の上昇は通常のON-OFF型の約1/2となります。この蓄える動作が整流を担う平滑コイルの役割を代替するため、これを不要とします。さらに「リカロイ™」の高飽和磁束密度特性により磁性体部品を小型化し、ひいては回路の小型化を実現します。また、磁束密度の変化量も低くなるため、大電力および高変換効率も実現します。

なお、電源回路においては小型化と高変換効率化が主な付加価値とされています。これまではパワー半導体やコンデンサにおける組成や微細化技術により小型化が進められてきました。昨今では低スイッチング損失のSiC(シリコンカーバイド)やGaN(ガリウムナイトライド)など次世代トランジスタを用いて動作周波数を上げることで、高変換効率を維持しながらさらなる小型化を実現してきました。一方で、この方式では変換効率の向上に限界があります。この度当社が開発したON-ON&ON-OFF型動作モードの回路では、組成、微細化での小型化ができなかった磁性体部品に着目して独自の磁性体材料「リカロイ™」を活用することで、動作周波数をあげずに小型・高変換効率化を実現しています。
今後について
10月27~29日に名古屋市国際展示場(ポートメッセ名古屋)で行われる「名古屋オートモーティブワールド2021」の、米国半導体製造メーカー アナログ・デバイセズ社のブース(ブースNo.9-28)にて絶縁型「TriMagic Converter™」の機能性評価用DC-DCコンバータ試作機を出展します(同試作機は主要制御ICにアナログ・デバイセズ社の製品を使用)。

将来的には、「リカロイ™」を用いた磁性体部品のサンプル供給を2022年4月に開始予定(カスタム対応は2022年2月の受け付けを検討)。絶縁型「TriMagic Converter™」としては2022年3~4月にお客様のニーズに応じて機能性評価用のリファレンスボードの供給準備を整える計画中です。サンプル供給をとおして市場調査や性能評価などを進めて、2023年10月を目途に「リカロイ™」を用いた磁性体コアやトランス・共振コイルなど各種コンポーネントの販売を目指し、ひいてはEVの省スペース化と電力消費量の削減に貢献します。
【主な特徴】大電力・高変換効率・小型を同時に達成した新絶縁型DC-DCコンバータ回路技術
① ON-ON&ON-OFF型動作モードにおける、低透磁率、高飽和磁束密度、低損失の「リカロイ™」を主トランスへ採用。
② 3.3kWの大電力、ピーク時96.8%の高変換効率、磁性体部品総サイズ既製品比1/3の小型。
③ 動作周波数を上げずに、低損失のSiCを使用し小型・高効率を高いレベルで実現。
【主な用途】
・車載用DC-DCコンバータ(補機コンバータ)
・サーバー
・基地局向け電源 など
【主な仕様】

※1 直流電圧をアプリケーションごとに異なる最適な直流電圧へ変換する装置のこと。
※2 交流電力の電圧の高さを電磁誘導を利用して変換する電子部品。変圧器。
※3 パワートランジスタのスイッチング時の損失を低減するソフトスイッチング化用途。
※4 酸化鉄を主成分とするセラミックスの総称。高透磁率、低飽和磁束密度、低損失の特徴を持つ。磁性材料として広く用いられている。
※5 アルプスアルパイン独自開発の磁性材料。低透磁率、高飽和磁束密度、低損失の特徴を
持つ。詳細は下記をご覧ください。
https://tech.alpsalpine.com/j/info/technology/tec_liqualloy/
以上






















