豊富な保護機能と充実のラインアップ 白物家電向け高圧3相モータ用ドライバ「SIM1シリーズ」
サンケン電気株式会社(埼玉県新座市北野3-6-3)は、高圧3相モータ用ドライバ「SIM1シリーズ」のうち、「SIM1-10F1M」の量産を開始しました。
SIM1シリーズとしてこの他に、定格2Aから10Aまでの4製品を近日中に量産予定です。充実したラインアップで幅広い用途に使用いただけます。
SIM1シリーズは、当社従来製品のパッケージサイズはそのままで、保護機能をより強化した製品です。
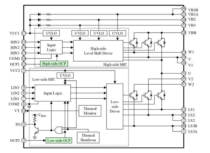
ハイサイドとローサイドの両方に過電流保護機能を搭載し、何らかの要因でハイサイドかローサイドの出力素子が壊れ、同時オンにより過大な電流が流れた場合でも、壊れていない側のOCPが動作し、出力素子をオフにします。これにより、出力素子破壊後の同時オンによる二次破壊を防止します。
また、ESD保護素子を搭載し、システム構築時の静電気破壊を抑制しました。
さらに、定格10A品のSIM1-10F1Mは、出力素子のターンオフ特性を向上させ、スイッチング損失を大幅に低減しています。洗濯機のドラム駆動など比較的高いキャリア周波数を想定しIGBTのプロセスを最適化することで、VCE(SAT) の上昇を極力抑えつつEOFFを大幅に低減し、トータル損失を従来製品から26%低減しました。従来製品と同じパッケージサイズでより大容量モデルに使用いただけます。
空気清浄機、冷蔵庫、エアコン、洗濯乾燥機など、白物家電に幅広く対応しています。ユニバーサル入力仕様の小~中容量モータのインバータ制御に最適です。
開発背景
現在、省エネ推進のため、世界的に白物家電のインバータ化が進んでいます。インバータ化が新たに普及していく地域の中には、電源事情が悪く、電源電圧変動による過電圧が発生する地域もあります。
また、組み立てもさまざまな地域の工場で行われることが想定されます。製造過程における静電気破壊の対策要求が高まっており、IPMのすべての端子に対して十分なESD耐量が求められます。
SIM1シリーズは、従来製品のパッケージサイズのまま、ハイサイドとローサイドの両方に過電流保護機能を搭載し、保護機能を強化しました。過電圧による音鳴りやパッケージ破裂などの致命的な破壊を抑制します。さらに、LS端子とCOM端子間にESD保護素子を搭載し、ESD耐量を他の端子と同レベルまで向上させました。これにより、セット組み立て時の静電気破壊を抑制します。

製品外観
パッケージ名称:DIP40
(ボディーサイズ:36.0mm × 14.8mm ×4.0mm)

ラインアップ

用途
ユニバーサル入力仕様の小~中容量モータのインバータ制御
● 冷蔵庫のコンプレッサ駆動
● 洗濯乾燥機のファン・ポンプ駆動
● エアコンのファンモータ駆動
● 空気清浄機のファンモータ駆動 など
特徴
● Pbフリー(RoHS対応)
● 温度モニタ機能搭載
● ブートストラップダイオード内蔵(制限抵抗60Ω)
● CMOS(3.3V、5V系)入力レベル対応
● 保護回路動作時エラー信号出力(FO端子)
● 保護機能
● 過電流保護機能
ハイサイド(OCP1):自動復帰
ローサイド(OCP2):自動復帰
● 電源電圧低下保護機能
ハイサイド(UVLO_VB):自動復帰
ローサイド(UVLO_VCC):自動復帰
● サーマルシャットダウン(TSD) :自動復帰
充実した保護機能
- ハイサイドとローサイドの両方に過電流保護機能を搭載
SIM1シリーズは、ハイサイド過電流保護機能(OCP1)とローサイド過電流保護機能(OCP2)を搭載しています。
何らかの要因でハイサイドかローサイドの出力素子が壊れ、同時オンにより過大な電流が流れた場合でも、壊れていない側のOCPが動作し、出力素子をオフにします。これにより、出力素子破壊後の同時オンによる二次破壊を抑制します。
- ESD保護素子を搭載
一般的にLS端子とCOM端子間のESD耐量は、ローサイドの出力素子のゲート―エミッタ間の耐圧に依存しており、他の端子よりも低い傾向があります。本ICは、LS端子とCOM端子間にESD保護素子を搭載し、ESD耐量を他の端子と同レベルまで向上させました。
これにより、システム構築時の静電気破壊を抑制します。

スイッチング損失を低減
SIM1-10F1Mは、出力素子のターンオフ特性を向上させ、スイッチング損失を大幅に低減しています。
洗濯機のドラム駆動など、高周波動作をさせるアプリケーションの効率向上が期待できます。

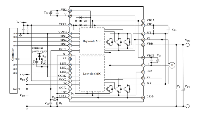
応用回路例

会社概要
社名 : サンケン電気株式会社
代表者 : 代表取締役社長CEO 高橋 広
所在地 : 〒352-8666 埼玉県新座市北野三丁目6番3号
設立 : 1946年9月5日
事業内容: 電子部品、デバイス、電子回路の製造および販売
電気機械器具の製造および販売
前各号に付帯する一切の業務
資本金 : 20,896,789,680円
URL : https://www.sanken-ele.co.jp/