テクダイヤとサンステラが共同販売。Creality製Ender-5 S1互換「kaika10」
2023年4月14日(金)より、オンラインにて一般販売開始。
テクダイヤ株式会社(本社:東京港区、社長:小山真吾、以下「テクダイヤ」)と、株式会社サンステラ(本社:東京都豊島区、社長:和田裕介、以下「サンステラ」)は、2023年4月14日(金)より、Creality製Ender-5 S1などに互換する、3Dプリンター用精密ノズル「kaika10」を共同販売いたします。

販売開始の背景
かねてよりCreality製プリンターEnderと、テクダイヤ製3Dプリンティング用精密ノズルkaikaは相性が良く、好評をいただいておりました。同時に、Ender-5 S1やEnder-7に互換する、kaikaノズル販売のリクエストも多数いただいておりました。お客様の声にお応えすべく、Creality正規販売代理店であるサンステラ協力の下、「kaika10」を開発。より高い造形精度を実現するノズルです。
kaika10特長
kaika最大の特長、内径テーパー30度
スムーズな材料の押し出しを可能にします。

ㅤㅤㅤㅤㅤㅤ
外径斜度120度の熱保持力に優れたヘッド
ノズルヘッドは、先端衝撃時の緩和とならし効果を向上させるため120度に設計。熱保持力に優れ、シリコンソックスにもフィットします。
ㅤㅤㅤㅤㅤㅤ
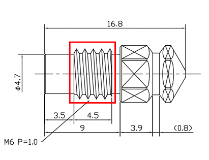
純正ノズルより短いネジ部設計
ネジ部は純正ノズルより短く設計し、印刷時の振動によるネジ緩みを抑制。ヒートブロック内でネジ固着によるノズル破損リスクも軽減します。

販売開始日
2023年4月14日(金) 13:00
販売先
テクダイヤ公式kaika shop: https://shop.kaika-tecdia.com/
サンステラ3Dモール: https://sunstella.co.jp/
Amazon: https://www.amazon.co.jp/stores/kaika/page/5CEFEF2F-16D1-475A-8321-440243BD11CB?ref_=ast_bln
テクダイヤ株式会社について
工業用ダイヤモンド販売の商社からスタートし、顧客の要求に応じて徐々に事業を拡大。現在はセラミック応用技術・精密機械加工技術・ダイヤモンド加工技術をコアとしながら、先端技術のものづくりを支えています。2021年1月より、3Dプリンティング用精密ノズル「kaika」の一般販売を開始。ホビーユーザーのみならず、大学研究機関や産業界からも好評をいただいております。
株式会社サンステラについて
株式会社サンステラはPolymaker・UniFormation・RAYSHAPEブランドの日本総代理店、Creality社・Elegoo社・Tiretime社・SHINING 3D社の日本正規代理店として、世界中の優れた3Dプリント機器・各種造形材料の輸入販売・技術サポートを行っています。11年に及ぶ3Dプリンターのサポート実績と、お客様に安心してお買い求めいただける体制を整えており、2007年の創業より3Dプリンティング分野に対して多くの革新をもたらしています。



