プレスリリース
小型1200V 車載用IPM 高圧3相モータ用ドライバ「SAM212MxxAF1シリーズ」より 「SAM212M15AF1」の量産開始
サンケン電気株式会社(埼玉県新座市北野3-6-3)は、車載向け高圧3相モータ用ドライバ「SAM212MxxAF1シリーズ」のうち、「SAM212M15AF1」の量産を開始しました。
今回量産したSAM212M15AF1(15 A)に加え、電流定格違いのSAM212M10AF1(10 A)とSAM212M05AF1(5 A)を開発中です。
SAM212MxxAF1シリーズは、出力スイッチング素子、プリドライバ、制限抵抗付きブートストラップダイオードを1パッケージに内蔵したオールインワンタイプの製品です。
パッケージはDIP30(52.5 mm × 31 mm × 5.6 mm)を採用しています。1200 V対応の車載用IPMとしては業界最小*サイズで、他社品と比較すると50%以上小型です。
小型パッケージでありながら、絶縁耐圧は2500 V(1分)を保証、ジャンクション温度は175℃を保証しています。さらに、車載規格のAQG324にも準拠した安全性の高い製品です。
加えて、高い温度検出精度やスイッチング損失の低減も実現しています。
電動車(xEV)などの高圧補機システム(電動コンプレッサ、電動ウォーターポンプ、電動オイルポンプなど)に最適です。

SAM212M15xxAFシリーズ
詳細URL: https://www.semicon.sanken-ele.co.jp/newproduct/#P-66098
*2025年8月26日現在 当社調べ
■開発背景
電動オイルポンプは、主に電動車がエンジン停止時や始動時にオイルを供給する部品で、スムーズな車両動作や省燃費を可能にする役割を担います。近年では省エネの追求によるエンジン停止領域の拡大や、ハイブリッドシステムの大型車への搭載などにより、オイルポンプの駆動に必要とされる電流も拡大の傾向にあります。
また、電動コンプレッサや電動ウォーターポンプにおいても、システム全体の軽量化や省エネの追求などの目的から、ひとつの部品で複数のアプリケーションを動作させる仕組みが取られることが多くなっており、高電圧化の傾向があります。
これを受け、当社としては初めて1200 Vに対応する車載用高圧3相モータドライバ「SAM212MxxAF1シリーズ」をリリースしました。
DBC(Direct Bonding Copper)構造の採用と当社ノウハウの活用により、車載対応の1200 V高圧3相モータドライバとしては業界最小*サイズを実現し、安全性も確保しました。パッケージサイズが小さくなることで、コンパクトな基板設計が実現し、システム全体の小型化や別の機能を追加することなどが可能となります。
安全性を確保しつつ高電圧化と省エネ性能を追求する車載用途に最適な製品です。
■製品外観
パッケージ名称:DIP30(LF2540 / LF2541)
(ボディーサイズ:52.5mm × 31mm × 5.6mm)

DIP30パッケージ
■ラインアップ

SAM212MxxAF1シリーズラインアップ
■用途
電動車(xEV)の高圧補機システムの3相モータ駆動
● 電動コンプレッサ
● 電動オイルポンプ
● 電動ウォーターポンプ など
■特徴
● 小型DIP30パッケージ
● 高い温度検出精度
● 低ノイズ
● AQG324準拠
● Pbフリー(RoHS対応)
● 絶縁耐圧2500 V(1分)保証
● ジャンクション温度175℃保証
● サーミスタ内蔵
● ブートストラップダイオード内蔵
● CMOS(3.3 V、5 V系)入力レベル対応
● エラー信号出力(保護回路動作時)
● シャットダウン信号入力
● 過電流保護保持時間調整可能
● 保護機能
-電源電圧低下保護機能
VBx端子(UVLO_VBx):自動復帰
VCCL端子(UVLO_VCCL):自動復帰
-過電流保護機能(OCP):自動復帰
■1200 V耐圧車載用高圧モータドライバとして最小*サイズ
パッケージはDIP30を採用しています。小型のパッケージでありながら、耐圧1200 Vを実現しました。
また、絶縁耐圧2500 V(1分)を保証しています。

パッケージ体積他社品比較
■オールインワンでコンパクト
基板上に直接チップなどの部品を搭載できるDBC構造を採用することでパワーチップを高密度で実装しています。温度検知用のサーミスタも内蔵しています。
パッケージは小型化しつつも、空間距離や沿面距離は十分な距離を確保し、信頼性を維持しています。
車載用途の安全性を重視し、VCC端子とOCP端子がGND端子と隣接しないように端子配置を考慮しています。
また、お客様の要求に幅広く対応するため、外部端子の長さは2種類から選択していただけます。

複数の構成部品を1パッケージ化したオールインワン型IPM
■高い温度検出精度
リードフレーム上ではなく、パワーチップと同じDBC基板上に温度検知用のサーミスタを設置しています。
これにより、高い温度検出精度と急激な温度変化に対する高い追従性を実現しました。
感度良く駆動素子の異常温度を検知することができるため、実動作の温度範囲の拡大や、モータシステムの品質向上に貢献します。

DBC基板上にサーミスタを設置し温度検出精度を向上
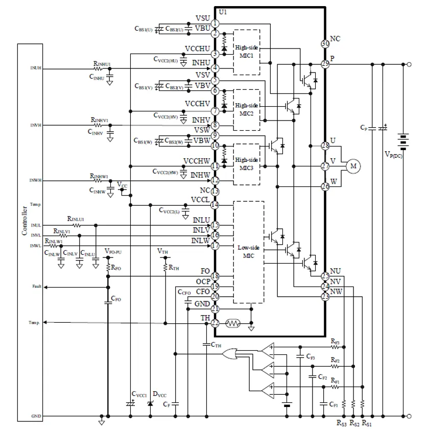
■応用回路例
3シャント検出方式

応用回路例(3シャント検出方式)
■会社概要
社名 : サンケン電気株式会社
代表者 : 代表取締役社長CEO 高橋 広
所在地 : 〒352-8666 埼玉県新座市北野三丁目6番3号
設立 : 1946年9月5日
事業内容: 電子部品、デバイス、電子回路の製造および販売
電気機械器具の製造および販売
前各号に付帯する一切の業務
資本金 : 20,896,789,680円